产品中心

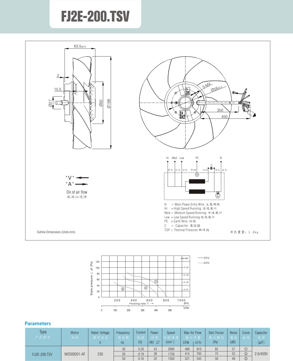
  • FJ2E-200.TSV

    核心提炼:


    优势:成本低、结构紧凑、便于设备厂商进行集成化设计。

    噪音较低:外转子电机转速相对均匀,且镰刀形叶片的设计有助于降低风噪。

    静音专家: 外转子平稳运行+镰刀叶片降噪,打造低噪运行体验。

    强力启动: 电容启动电机,扭矩大,带载能力强,启动无忧。

    安全堡垒: F级(180℃)绝缘+V-0阻燃,构建电气与防火双重安全屏障。

    IP44防护等级:有效防止固体异物侵入,防溅水设计,适应潮湿环境。


    这款外转子电机总成风扇是一款典型的 “客户导向型”产品。它深刻理解了设备制造商对成本、集成难度和基本可靠性的核心需求,没有冗余功能,每一项特性都直击痛点。它非常适合应用于:工业控制柜、配电箱,商用设备(如售货机、ATM机),供暖通风等设备。