产品中心

  • C4E-294.88PL

    核心提炼:


    高效节能: 大扭矩电容外转子电机与气动优化叶轮配合,输出大风量同时保持高能效。

    轻强典范: 独家PP+40%GF复合材料与分型焊接工艺,成就了媲美金属强度、兼具轻量化优势的高性能叶轮。

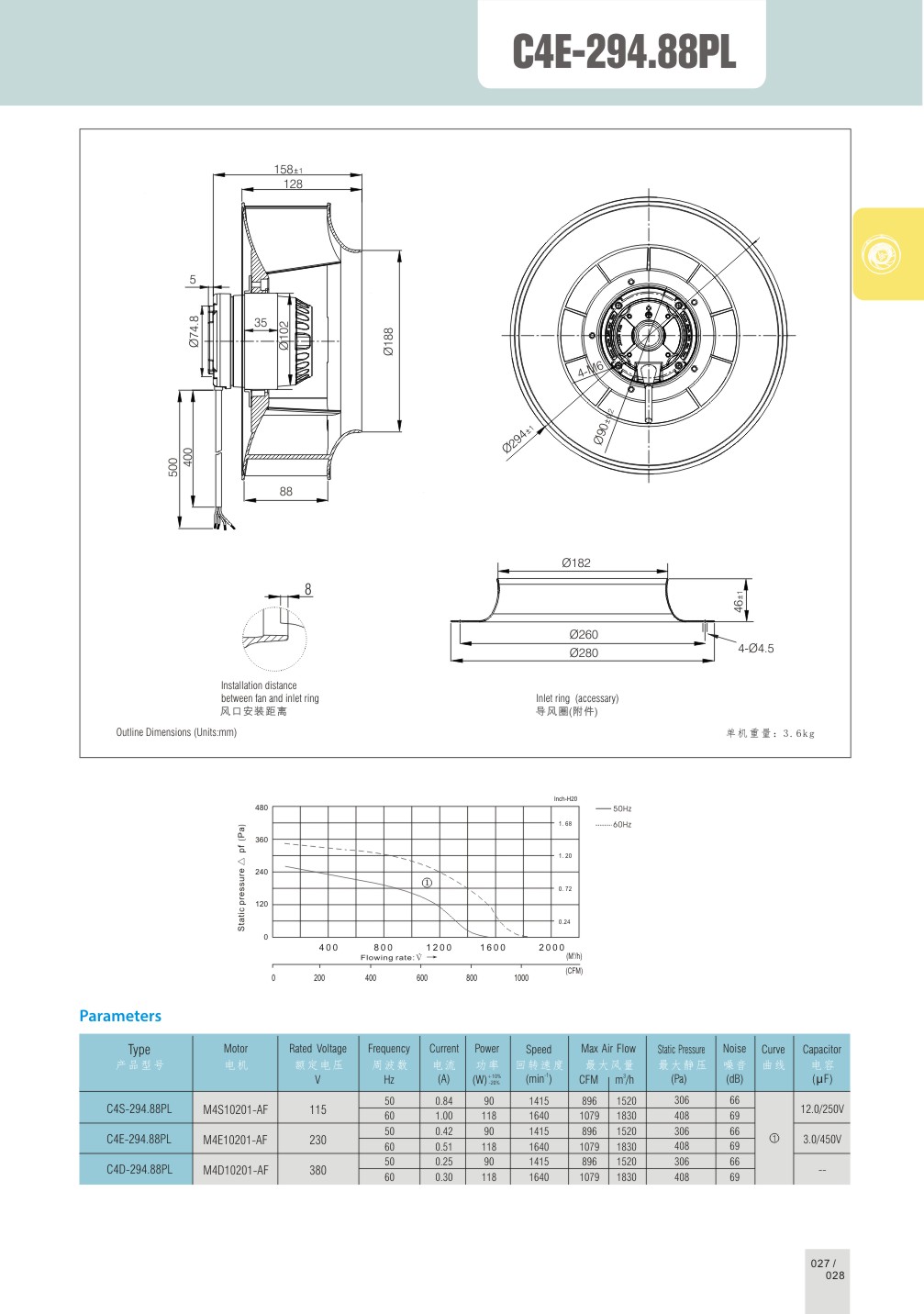
    大风量输出: 直径290至380mm 的大尺寸叶轮是产生巨大风量和风压的直接保证,能够为大型封闭空间或发热量巨大的设备提供强力有效的通风散热。

    宽域悍将: -40℃至80℃超宽温域工作能力,无惧地球任何角落的严寒与酷暑挑战。

    绝缘至尊: 200MΩ以上超高绝缘电阻+F级(180℃)绝缘系统,提供终极电气安全与可靠性。

    智慧安护: 内置自动热保护+V-0阻燃,打造从内到外的双重安全防火墙。

    高湿耐受: 在0%-95%的湿度环境下(非凝结)均可正常工作,适应多雨、潮湿的气候。

    IP44防护: 防尘(防1mm以上固体异物) 和防溅水能力,确保风扇在多粉尘、有轻微液体飞溅的恶劣工业环境中内部核心电机不受影响。


    这款JASONFAN离心风扇是一款技术驱动型产品,其核心优势在于创新的复合材料应用和制造工艺。它非

    常适合那些需要大风量、高可靠性、轻量化以及耐腐蚀的应用场景,例如:大型通信机柜、高端数控机

    床、测试设备、医疗仪器、以及有轻量化要求的轨道交通车辆等。它代表了工业风扇向高性能、轻量化、

    高安全性发展的趋势。